PKN0.8t - Senzor de forță pentru capăt de cablu fix de până la 0.8t în cablu
| Disponibilitate: | în termen de 6 - 14 zile |
| Producător: | Format 1 Ltd. |
Senzor de forță de tracțiune cu extensometru pentru macarale cu cabluri 2/1, 4/1 etc. Conceput pentru forțe pe cablu de până la 0,8 t.
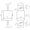
Înălțime de montare redusă - 130 mm, reducând astfel la minimum restricțiile privind înălțimea de ridicare.
Capacele de capăt se adaptează la diametrul dat al știftului dispozitivului de prindere existent al frânghiei.
Senzorul de forță este introdus între suspensia frânghiei și punctul de fixare al acesteia pe cărucior.
Avantaje:
- Înălțime redusă
- Măsoară direct tensiunea din coardă, liniar atunci când este utilizat pentru limitatoare de suprasarcină
- Nu este necesară o nouă calibrare la înlocuirea frânghiei
- Stabilitatea pe termen lung a măsurării sarcinii
- Nu depinde de tipul de frânghie
- Este o parte fixă a macaralei
- Principiu de proiectare robustă
- Poate fi instalat pe palane și poduri rulante
- Înlocuire ușoară a senzorului de forță al tensometrului
Potrivit și pentru operațiuni în aer liber
Dimensiunile de montare pot fi ajustate în funcție de măsurătorile dimensiunilor existente direct pe macara.






