Senzor de tensiune/presiune LPCH 1t~100t
| Disponibilitate: | În stoc |
| Producător: | PT |
LPCH este un senzor tensometru cu profil redus, fabricat din oțel inoxidabil. Este conceput pentru măsurarea forțelor de tracțiune și compresie. Potrivit pentru aplicații care necesită o înălțime mică a senzorului.
APLICARE:
Cântare pentru silozuri, buncăre, rezervoare
Cântare transportoare
Cântare suspendate, cântare de punte
Măsurarea forțelor de compresiune și tracțiune
Echipamente de testare
Cântare cu profil redus
AVANTAJE:
Capacitate de încărcare de la 1000 kg la 100.000 kg
Design compact, înălțime redusă
Sensibilitate 2 mV/V
Asamblare ușoară
Design durabil
Ușor interschimbabil cu tipul LPC
Nivel de protecție IP67



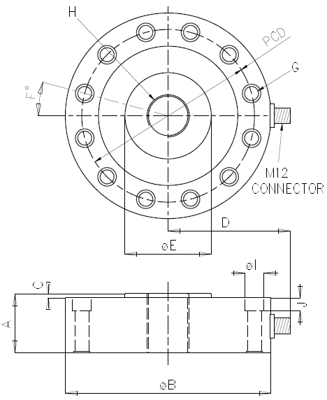
DIMENSIUNI, PARAMETRI TEHNICI:
Consultați fișa de catalog în format PDF pentru descărcare.
APLICARE:
Cântare pentru silozuri, buncăre, rezervoare
Cântare transportoare
Cântare suspendate, cântare de punte
Măsurarea forțelor de compresiune și tracțiune
Echipamente de testare
Cântare cu profil redus
AVANTAJE:
Capacitate de încărcare de la 1000 kg la 100.000 kg
Design compact, înălțime redusă
Sensibilitate 2 mV/V
Asamblare ușoară
Design durabil
Ușor interschimbabil cu tipul LPC
Nivel de protecție IP67



DIMENSIUNI, PARAMETRI TEHNICI:
Consultați fișa de catalog în format PDF pentru descărcare.

